Séria LV Valcové ložiská
Séria LV Valcové ložiská
Séria LV Valcové ložiská

Séria LV

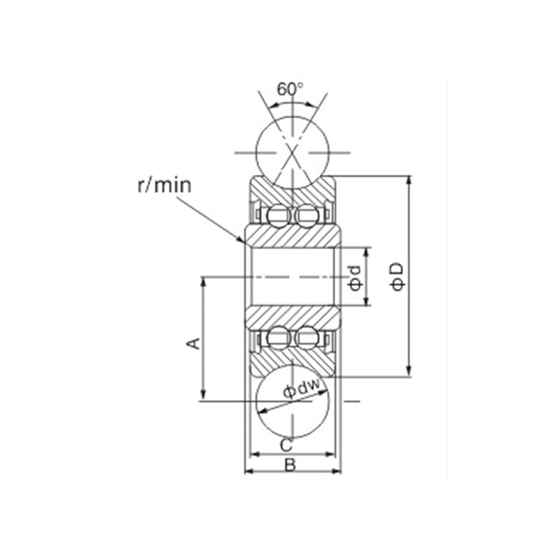
Sprievodné ložiská LV Series Series sú druhom ložiska špeciálne používané v lineárnych vodiacich systémoch a bežne sa používajú v priemyselných automatizačných zariadeniach a precíznych strojoch. Majú vonkajší obrys v tvare V, ktorý sa presne zhoduje s vodiacou koľajnicou v tvare V, čím poskytuje stabilný valcový efekt. Tento dizajn nielen zvyšuje kontaktnú plochu medzi vodiacou koľajnicou a valčekom, ale tiež zvyšuje kapacitu nákladu a odporu opotrebenia ložiska, vďaka čomu je vhodná pre podmienky vysokej rýchlosti a veľkého zaťaženia. Ložiská série LV sa bežne používajú v textilných strojoch, robotických zariadeniach, obalových strojoch a iných poliach, najmä v situáciách, keď sú potrebné polohovanie vysokej presnosti a nízke trenie.

Odoslať dopyt

Parametre produktu

Typ kolesa Váha Rozmery (mm) Zaťaženie (kN)
(Kg) dw d D b C A α rs Cw Krava
LV 20/7 ZZ 17 10 7 22 11 11 14.5 120 0.3 3.78 2.05
LV 20/8 ZZ 49 10 8 30 14 14 18.1 120 0.3 5.13 2.67
LV 202-38 ZZ 87 10 15 38 17 17 22.3 120 0.5 8.47 5.37
LV 202-40 ZZ 110 10 15 40 18 18 22 120 0.5 8.47 5.37
LV 201 ZZ 130 20 12 41 20 20 28 120 0.3 8.47 5.37
LV 201-14.2Rs 107 14 12 39.9 20.1 18 24 100 0.5 8.9 5
LV 202-41 ZZ 116 20 15 41 20 20 28 120 0.5 8.47 5.37
LV 203 ZZ 325 20 17 58 25 25 35 120 0.5 14.66 9.1
LV 204-57 ZZ 290 30 20 57 22 22 41 120 0.6 14.66 9.1

O nás Yinin

Shanghai Yinin Lose and Transmission Company Založené v roku 2009 s viac ako 20-ročnými skúsenosťami v oblasti ložísk. Sme čínsky Séria LV Valcové ložiská výrobca a poskytujeme zákazkové Séria LV Valcové ložiská výroby. Od roku 1999 pôsobíme ako zástupca čínskych výrobcov ložísk a vyvážame rôzne ložiská. Dnes sme sa rozvinuli do komplexnej skupiny ložísk, ktorá integruje predaj a výrobu.

Aplikácie v odvetví

Ložiská tiež zohrávajú veľmi dôležitú úlohu v poľnohospodárskych strojoch. Používajú sa na podpor...

Ložiská sa široko používajú v automobiloch. Sú kľúčové podporné a rotujúce časti mnohých pohybliv...

Používa sa na podporu, výšku, uhol, kĺb a rotujúce časti lekárskeho vybavenia.

Používa sa na podporu, rotáciu, motorové a kompresorové časti domácich spotrebičov.

Používa sa na rotáciu a pohyb podpory a vodiace časti automatizačných zariadení

V stavebných štruktúrach sa môžu ložiská použiť na spojenie rôznych konštrukčných komponentov.

Vo výrobnom procese potravín a nápojov sú potrebné čerpadlá na prepravu tekutín a kompresory sa p...

Ložiská sa používajú v motoroch lietadiel a kozmickej lode na podporu rotujúcich komponentov, ako...

Novinky a informácie

Zistite viac

2026-03-26

Aké sú konštrukčné výhody použitia dvojradového guľôčko...
Vo vysoko presnom strojárstve rozhoduje často výber medzi integrovanými komponentmi a modulárnymi zostavami konečnú stabilitu systému. Pre rotačné aplikácie vyžadujúce vysokú tuhosť, dvojradové...

2026-03-19

Prečo sa vaše guľôčkové ložisko 6000 prehrieva a ako mô...
V oblasti presných rotačných strojov, 6000 guľkové ložisko je všadeprítomný komponent, obľúbený pre svoju schopnosť zvládnuť radiálne aj axiálne zaťaženie v kompaktnom rozmere 10x26x8...

2026-03-12

Prečo sú guľôčkové ložiská s hlbokými drážkami z nehrdz...
V vysokom prostredí výroby potravín a nápojov sú mechanická spoľahlivosť a biologická bezpečnosť neoddeliteľné. Výber z guličkové ložiská z nehrdzavejúcej ocele je kritické technické rozhodn...

Kontaktujte nás

SUBMIT

Technické poradenstvo

  • Shanghai Yinin Lose and Transmission Company

    Riešenia na mieru

  • Shanghai Yinin Lose and Transmission Company

    Neustály výskum a vývoj

  • Shanghai Yinin Lose and Transmission Company

    Kontrola kvality

  • Shanghai Yinin Lose and Transmission Company

    Technická podpora a školenia

  • Shanghai Yinin Lose and Transmission Company

    Rýchla odpoveď

Ak máte akékoľvek technické konzultácie alebo spätnú väzbu, poskytneme vám čo najprofesionálnejšiu odpoveď čo najskôr!

Kontaktujte nás