Séria LFR Valcové ložiská
Séria LFR Valcové ložiská
Séria LFR Valcové ložiská

Séria LFR

Orbitálne ložiská LFR Series Orbital Roller sú špeciálne navrhnuté pre požiadavky na vysoké zaťaženie a vysoké výkony a široko sa používajú v strojárskych strojoch, banských zariadeniach, ťažkých zariadeniach a iných poliach. Táto séria ložísk využíva špeciálne materiály a pokročilé výrobné procesy na to, aby mala vynikajúcu kapacitu nosenia a odolnosť proti opotrebeniu, čo môže účinne znížiť trenie a spotrebu energie a predĺžiť životnosť. Séria LFR má rôzne špecifikácie a typy, ktoré vyhovujú potrebám rôznych aplikačných prostredí. Okrem toho jeho jedinečný dizajn uľahčuje inštaláciu a údržbu, čím sa znižuje prestoje zariadenia. Či už vo vysokej teplote, vlhkom alebo prašnom prostredí, orbitálne ložiská série LFR fungujú dobre, zabezpečujú stabilnú prevádzku a efektívne výkony zariadenia. $

Odoslať dopyt

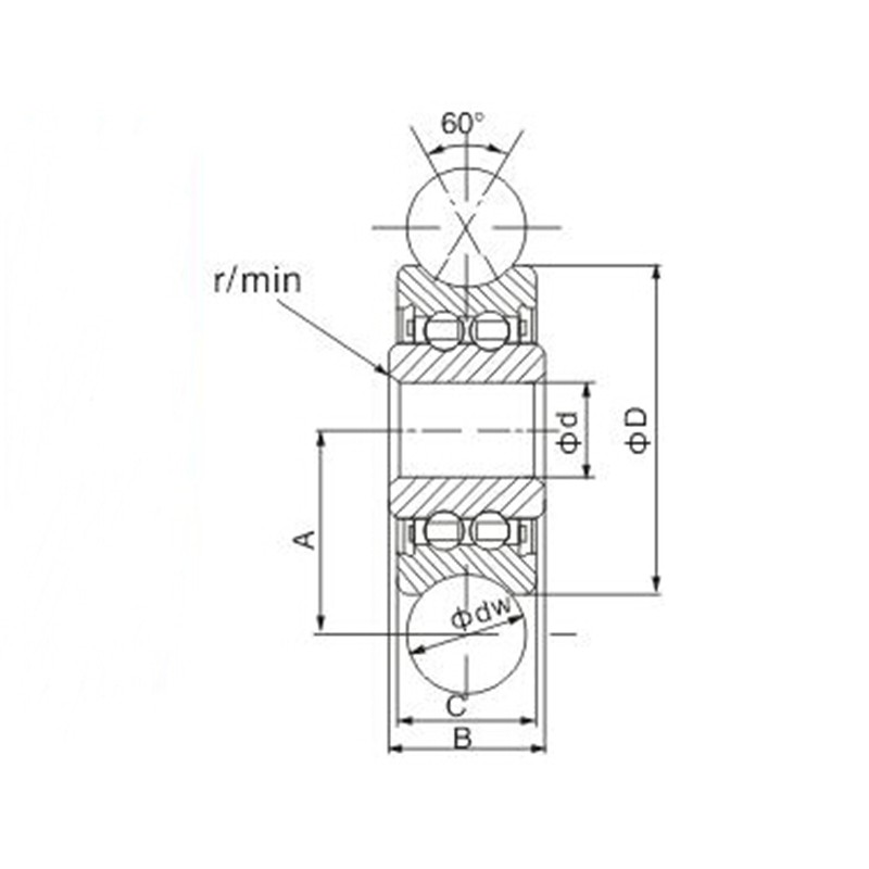
Parametre produktu

Typ kolesa Váha Rozmery (mm) Zaťaženie (kN)
Nemecko Taliansko Domáci model g) dw d D C B A rs Cw Krava
LFR 50/5-4 N 4 5 16 7 5 18 6.9 0 2.02 0.93 8
LFR 50/5-5 5 5 17 7 5 20 6.9 0 2.02 0.93 8
LFR 50/5 N 6 5 17 7 5 21 6.9 0 2.02 0.93 8
LFR 50/8 N 6 8 24 11 7 28 12.3 0 3.67 2.28 25
LFR 50/8-8 N 8 8 24 11 7 29 12.3 0 3.67 2.28 25
LFR 50/4 npp - - 3.5 5 4 13 6 7 8.04 0.2 1.05 0.85
LFR 50/5-4 KDD LFR50/5KDD-4 R 50/5-4 Zz 7.5 4 5 16 7 8 9 0.2 1.2 0.86
LFR 50/5-4 npp LFR50/5NPP-4 R 50/5-4 2Rs 7.5 4 5 16 7 8 9 0.2 1.2 0.86
LFR 50/5 kdd LFR50/5KDD R 50/5-6 Zz 8 6 5 17 7 8 10.5 0.2 1.27 0.82
LFR 50/5 npp LFR50/5NPP R 50/5-6 2RS 8 6 5 17 7 8 10.5 0.2 1.27 0.82
LFR 50/8 KDD LFR50/8KDD R 50/8-6 Zz 24 6 8 24 11 11 14 0.3 3.67 2.28
LFR 50/8 npp LFR50/8NPP R 50/8-6 2Rs 24 6 8 24 11 11 14 0.3 3.67 2.28
LFR 50/8-8 KDD - - 24 8 8 24 11 11 14.8 0.3 3.67 2.28
LFR 50/8-8 npp - - 24 8 8 24 11 11 14.8 0.3 3.67 2.28
LFR 30/8 KDD - - 31 10 8 27 11 13 16.7 0.3 3.67 2.28
LFR 30/8 npp - - 31 10 8 27 11 13 16.7 0.3 3.67 2.28
LFR 5201 KDD LFR5201KDD R 5201-10 ZZ 68 10 12 35 16 16 20.7 0.3 8.5 5.1
LFR 5201 NPP LFR5201NPP R 5201-10 2RS 68 10 12 35 16 16 20.7 0.3 8.5 5.1
LFR 5301 KDD LFR5301KDD R 5301-10 ZZ 130 10 12 42 19 19 24 0.6 13 7.7
LFR 5301 npp LFR5301NPP R 5301-10 2RS 130 10 12 42 19 19 24 0.6 13 7.7
LFR 5301-20 KDD - - 125 20 12 42 19 19 28 0.6 13 7.7
LFR 5301-20 npp - - 125 20 12 42 19 19 28 0.6 13 7.7
LFR 5302 KDD LFR5302KDD R 5302-10 ZZ 163 10 15 47 19 19 26.7 1 16.2 9.2
LFR 5302 npp LFR5302NPP R 5302-10 2RS 163 10 15 47 19 19 26.7 1 16.2 9.2
LFR 5201-12 KDD LFR5201-12KDD R 5201-12 ZZ 68 12 12 35 16 16 21.8 0.3 8.4 5
LFR 5201-12 npp LFR5201-12NPP R 5201-12 2RS 68 12 12 35 16 16 21.8 0.3 8.4 5
LFR 5201-14 KDD LFR5201-14KDD R 5201-14 ZZ 107 14 12 40 18 20 24 0.3 8.9 5
LFR 5201-14 NPP LFR5201-14NPP R 5201-14 2RS 107 14 12 40 18 20 24 0.3 8.9 5
LFR 5201-10,40 KDD - - 115 10 12 40 18 20 22 0.3 8.9 5
LFR 5201-10,40 npp - - 115 10 12 40 18 20 22 0.3 8.9 5
LFR 5204-16 KDD* LFR5204-16KDD R 5204-16 ZZ 195 16 20 52 21 23 31.5 0.6 16.8 9.5
LFR 5204-16 NPP* LFR5204-16NPP R 5204-16 2RS 195 16 20 52 21 23 31.5 0.6 16.8 9.5
LFR 5206-20 KDD* LFR5206-20KDD R 5206-20 ZZ 435 20 25 72 24 26 41 0.6 29.5 16.6
LFR 5206-20 npp* LFR5206-20NPP R 5206-20 2RS 435 20 25 72 24 26 41 0.6 29.5 16.6
LFR 5206-25 KDD* LFR5206-25KDD R 5206-25 ZZ 425 25 25 72 24 26 43.5 0.6 29.2 16.4
LFR 5206-25 npp* LFR5206-25NPP R 5206-25 2RS 425 25 25 72 24 26 43.5 0.6 29.2 16.4
LFR 5207-30 KDD* LFR5207-30KDD R 5207-30 ZZ 660 30 30 80 27 29 51 1 38 20.8
LFR 5207-30 npp* LFR5207-30NPP R 5207-30 2RS 660 30 30 80 27 29 51 1 38 20.8
LFR 5208-40 KDD* LFR5208-40KDD R 5208-40 ZZ 1360 40 40 98 36 38 62.5 1 54.8 29
LFR 5208-40 NPP* LFR5208-40NPP R 5208-40 2RS 1360 40 40 98 36 38 62.5 1 54.8 29
LFR 5308-50 KDD* LFR5308-50KDD R 5308-50 ZZ 1400 50 40 ## 44 46 72.5 1.1 53 39.5
LFR 5308-50 npp* LFR5308-50NPP R 5308-50 2RS 1400 50 40 ## 44 46 72.5 1.1 53 39.5

O nás Yinin

Shanghai Yinin Lose and Transmission Company Založené v roku 2009 s viac ako 20-ročnými skúsenosťami v oblasti ložísk. Sme čínsky Séria LFR Valcové ložiská výrobca a poskytujeme zákazkové Séria LFR Valcové ložiská výroby. Od roku 1999 pôsobíme ako zástupca čínskych výrobcov ložísk a vyvážame rôzne ložiská. Dnes sme sa rozvinuli do komplexnej skupiny ložísk, ktorá integruje predaj a výrobu.

Aplikácie v odvetví

Ložiská tiež zohrávajú veľmi dôležitú úlohu v poľnohospodárskych strojoch. Používajú sa na podpor...

Ložiská sa široko používajú v automobiloch. Sú kľúčové podporné a rotujúce časti mnohých pohybliv...

Používa sa na podporu, výšku, uhol, kĺb a rotujúce časti lekárskeho vybavenia.

Používa sa na podporu, rotáciu, motorové a kompresorové časti domácich spotrebičov.

Používa sa na rotáciu a pohyb podpory a vodiace časti automatizačných zariadení

V stavebných štruktúrach sa môžu ložiská použiť na spojenie rôznych konštrukčných komponentov.

Vo výrobnom procese potravín a nápojov sú potrebné čerpadlá na prepravu tekutín a kompresory sa p...

Ložiská sa používajú v motoroch lietadiel a kozmickej lode na podporu rotujúcich komponentov, ako...

Novinky a informácie

Zistite viac

2026-03-26

Aké sú konštrukčné výhody použitia dvojradového guľôčko...
Vo vysoko presnom strojárstve rozhoduje často výber medzi integrovanými komponentmi a modulárnymi zostavami konečnú stabilitu systému. Pre rotačné aplikácie vyžadujúce vysokú tuhosť, dvojradové...

2026-03-19

Prečo sa vaše guľôčkové ložisko 6000 prehrieva a ako mô...
V oblasti presných rotačných strojov, 6000 guľkové ložisko je všadeprítomný komponent, obľúbený pre svoju schopnosť zvládnuť radiálne aj axiálne zaťaženie v kompaktnom rozmere 10x26x8...

2026-03-12

Prečo sú guľôčkové ložiská s hlbokými drážkami z nehrdz...
V vysokom prostredí výroby potravín a nápojov sú mechanická spoľahlivosť a biologická bezpečnosť neoddeliteľné. Výber z guličkové ložiská z nehrdzavejúcej ocele je kritické technické rozhodn...

Kontaktujte nás

SUBMIT

Technické poradenstvo

  • Shanghai Yinin Lose and Transmission Company

    Riešenia na mieru

  • Shanghai Yinin Lose and Transmission Company

    Neustály výskum a vývoj

  • Shanghai Yinin Lose and Transmission Company

    Kontrola kvality

  • Shanghai Yinin Lose and Transmission Company

    Technická podpora a školenia

  • Shanghai Yinin Lose and Transmission Company

    Rýchla odpoveď

Ak máte akékoľvek technické konzultácie alebo spätnú väzbu, poskytneme vám čo najprofesionálnejšiu odpoveď čo najskôr!

Kontaktujte nás