Domov / Výrobky / Ložisko / Zúžené ložisko / Séria 33100
Séria 33100 Zúžené ložisko
Séria 33100 Zúžené ložisko
Séria 33100 Zúžené ložisko

Séria 33100

Zužité valcové ložisko série 33100 je vysoko výkonné ložisko, ktoré sa bežne používa v mechanickom zariadení a má vynikajúcu kapacitu nosenia a odporu. Tento druh ložiska prijíma zúžený dizajn valca, ktorý môže účinne rozptýliť zaťaženie a prispôsobiť sa veľkým radiálnym a axiálnym silám. Vnútorné a vonkajšie krúžky a valčeky ložísk série 33100 sú presné opracované, aby sa zabezpečilo dobré prispôsobenie a nízke straty trenia, čím sa rozšírila životnosť. Utesnená konštrukcia ložiska navyše bráni vniknutiu prachu a nečistôt, čím sa zabezpečuje spoľahlivosť v drsnom prostredí. Bežne sa používa v automobiloch, ťažbe, metalurgii a iných odvetviach a je obzvlášť vhodný pre pracovné podmienky vysokého zaťaženia a vysokej teploty. Pri správnom mazaní a údržbe môžu kužeľové ložiská valcoch série 33100 poskytnúť vynikajúci výkon a stabilnú prevádzku, pričom splnia vysoké požiadavky na ložiská v modernom priemysle. .

Odoslať dopyt

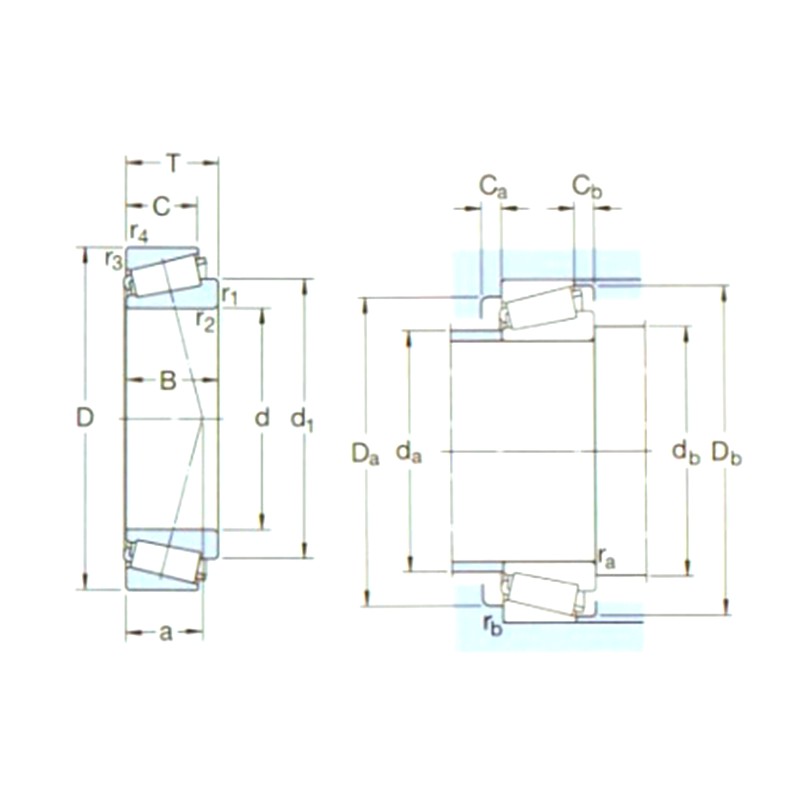
Parametre produktu

Označenie Hlavné rozmery (mm) Hodnotenie základného zaťaženia (kN) Pluk Hodnotenia rýchlosti (otáčky) Váha (kg) ISO335 Rozmery (mm) Podpora a rozmery filetov (mm) Hodnota
d1 D B DYC (CR) STC (COR) Rýchlosť Obmedzovacia rýchlosť Rozmery (Abma) d D1 ~ B C R1,2 (min) R3,4 (min) a da (max) db (min) Da (min) Da (max) Db (min) CA (min) CB (min) RA (max) rb (max) e Y Jo
33108/q 40 75 26 91,5 104 11,4 7000 9000 0,51 2ce 40 57,5 26 20,5 1,5 1,5 18 47 47 65 68 71 4 5,5 1,5 1,5 0,35 1,7 0,9
33109/q 45 80 26 96,5 114 12,9 6700 8000 0,56 3ce 45 62,7 26 20,5 1,5 1,5 19 52 52 69 73 77 4 5,5 1,5 1,5 0,37 1,6 0,9
33110/q 50 85 26 100 122 13,4 6000 7500 0,59 3ce 50 67,9 26 20 1,5 1,5 20 57 57 74 78 82 4 6 1,5 1,5 0,4 1,5 0,8
33111/q 55 95 30 110 156 17,6 5000 6700 0,86 3ce 55 75,1 30 23 1,5 1,5 22 63 62 83 88 91 5 7 1,5 1,5 0,37 1,6 0,9
33112/q 60 100 30 134 170 19,6 5300 6300 0,92 3ce 60 80,4 30 23 1,5 1,5 23 67 67 88 93 96 5 7 1,5 1,5 0,4 1,5 0,8
33113/q 65 110 34 142 208 24 4300 5600 1,30 3de 65 87,9 34 26,5 1,5 1,5 26 74 72 96 103 106 6 7,5 1,5 1,5 0,4 1,5 0,8
33114/q 70 120 37 172 250 30 4000 5300 1,70 3de 70 94,8 37 29 2 1,5 28 80 79 104 112 115 6 8 2 1,5 0,37 1,6 0,9
33115/q 75 125 37 176 265 31,5 3800 5000 1,80 3de 75 100 37 29 2 1,5 29 84 84 109 117 120 6 8 2 1,5 0,4 1,5 0,8
33116/q 80 130 37 179 280 32,5 3600 4800 1,90 3de 80 105 37 29 2 1,5 30 89 89 114 122 126 6 8 2 1,5 0,43 1,4 0,8
33116tn9/q 80 130 37 179 280 32,5 3600 4800 1,90 3de 80 105 37 29 2 1,5 30 89 89 114 122 126 6 8 2 1,5 0,43 1,4 0,8
33117/q 85 140 41 220 340 38 3400 4500 2,45 3de 85 112 41 32 2,5 2 32 95 95 122 130 135 7 9 2 2 0,4 1,5 0,8
33118/q 90 150 45 251 390 43 3000 4300 3,10 3de 90 120 45 35 2,5 2 35 101 101 130 140 144 7 10 2 2 0,4 1,5 0,8
33118tn9/q 90 150 45 251 390 43 3000 4300 3,10 3de 90 120 45 35 2,5 2 35 101 101 130 140 144 7 10 2 2 0,4 1,5 0,8
33122 110 180 56 369 630 67 2600 3400 5,55 3EEE 110 146 56 43 2,5 2 44 121 121 155 170 174 9 13 2 2 0,43 1,4 0,8

O nás Yinin

Shanghai Yinin Lose and Transmission Company Založené v roku 2009 s viac ako 20-ročnými skúsenosťami v oblasti ložísk. Sme čínsky Séria 33100 Zúžené ložisko výrobca a poskytujeme zákazkové Séria 33100 Zúžené ložisko výroby. Od roku 1999 pôsobíme ako zástupca čínskych výrobcov ložísk a vyvážame rôzne ložiská. Dnes sme sa rozvinuli do komplexnej skupiny ložísk, ktorá integruje predaj a výrobu.

Aplikácie v odvetví

Ložiská tiež zohrávajú veľmi dôležitú úlohu v poľnohospodárskych strojoch. Používajú sa na podpor...

Ložiská sa široko používajú v automobiloch. Sú kľúčové podporné a rotujúce časti mnohých pohybliv...

Používa sa na podporu, výšku, uhol, kĺb a rotujúce časti lekárskeho vybavenia.

Používa sa na podporu, rotáciu, motorové a kompresorové časti domácich spotrebičov.

Používa sa na rotáciu a pohyb podpory a vodiace časti automatizačných zariadení

V stavebných štruktúrach sa môžu ložiská použiť na spojenie rôznych konštrukčných komponentov.

Vo výrobnom procese potravín a nápojov sú potrebné čerpadlá na prepravu tekutín a kompresory sa p...

Ložiská sa používajú v motoroch lietadiel a kozmickej lode na podporu rotujúcich komponentov, ako...

Novinky a informácie

Zistite viac

2026-02-26

Aké sú kritické rozdiely medzi presnými triedami P6 a P...
Vo vysoko presnom svete obrábania pomocou počítačového numerického riadenia (CNC) je výkon stroja 6000 guľkové ložisko je základom pre dosiahnutie submikrónovej presnosti. Ako ťažný kôň ...

2026-02-19

Technická analýza: Aké sú hlavné rozdiely medzi guličko...
V oblasti vysoko presného strojárstva výber správneho materiálu pre guličkové ložiská z nehrdzavejúcej ocele je rozhodnutie, ktoré určuje prevádzkovú životnosť a bezpečnosť celého str...

2026-02-12

Je guličkové ložisko z nehrdzavejúcej ocele 6200 potreb...
V oblasti techniky rotačného pohybu je rad 6200 jedným z najpoužívanejších guľkových ložísk s hlbokými drážkami vďaka svojej všestrannosti a optimalizovanej radiálnej zaťažiteľnosti. Avšak pri prev...

Kontaktujte nás

SUBMIT

Technické poradenstvo

  • Shanghai Yinin Lose and Transmission Company

    Riešenia na mieru

  • Shanghai Yinin Lose and Transmission Company

    Neustály výskum a vývoj

  • Shanghai Yinin Lose and Transmission Company

    Kontrola kvality

  • Shanghai Yinin Lose and Transmission Company

    Technická podpora a školenia

  • Shanghai Yinin Lose and Transmission Company

    Rýchla odpoveď

Ak máte akékoľvek technické konzultácie alebo spätnú väzbu, poskytneme vám čo najprofesionálnejšiu odpoveď čo najskôr!

Kontaktujte nás