Zužité valcové ložiská série 32200 sú dôležitým typom ložiska, ktorý sa bežne používa v priemyselnom a mechanickom zariadení. Konštrukčnou črtou tejto série ložísk je, že kontaktné povrchy vnútorných a vonkajších krúžkov sú zúžené, čo im umožňuje vydržať veľké radiálne a axiálne zaťaženie a je vhodné na prevádzku za podmienok vysokej zaťaženia a vysokej rýchlosti. Ložiská série 32200 sú zvyčajne vyrobené z vysoko kvalitných zliatinových oceľových materiálov a majú dobrú odolnosť proti opotrebeniu a odolnosť proti únave, čím sa predlžuje ich životnosť. Medzi jej hlavné aplikačné oblasti patrí automobily, obrábacie náradie, banské vybavenie a ďalšie ťažké stroje. Štandardizovaná veľkosť a dizajn série uľahčuje inštaláciu a výmenu a poskytuje pohodlie pre údržbu a správu zariadení.
Parametre produktu
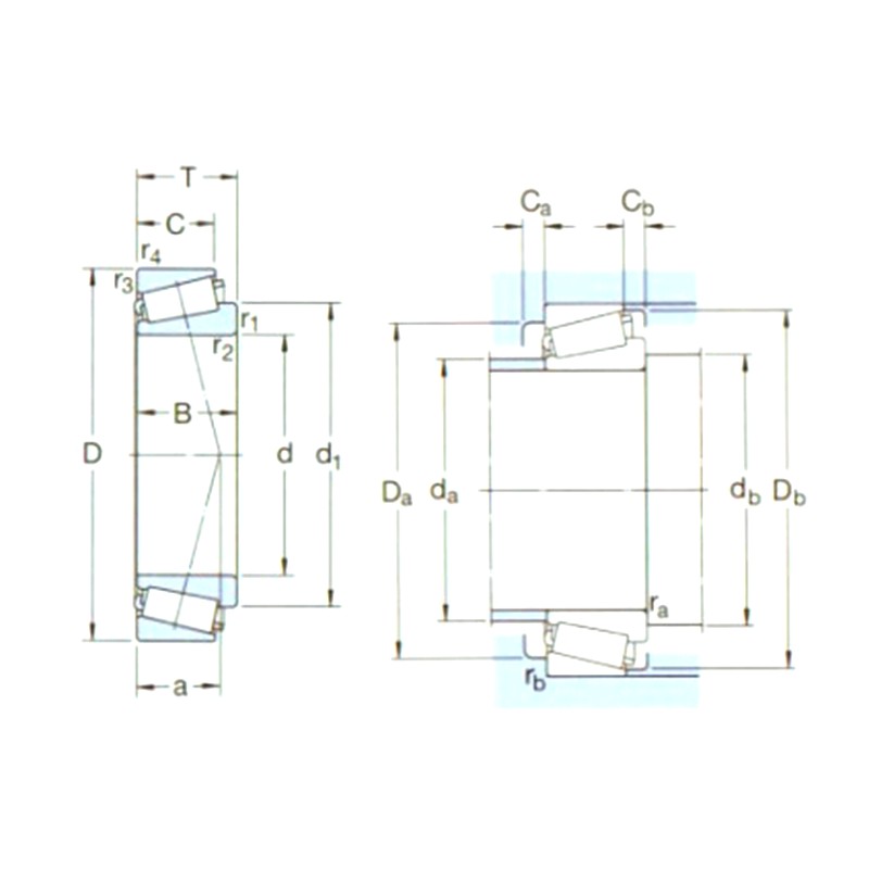
| Označenie | Hlavné rozmery (mm) | Hodnotenie základného zaťaženia (kN) | Pluk | Hodnotenia rýchlosti (otáčky) | Váha (kg) | ISO335 | Rozmery (mm) | Podpora a rozmery filetov (mm) | Hodnota | ||||||||||||||||||||
|---|---|---|---|---|---|---|---|---|---|---|---|---|---|---|---|---|---|---|---|---|---|---|---|---|---|---|---|---|---|
| d1 | D | B | DYC (CR) | STC (COR) | Rýchlosť | Obmedzovacia rýchlosť | Rozmery (Abma) | d | D1 ~ | B | C | R1,2 (min) | R3,4 (min) | a | da (max) | db (min) | Da (min) | Da (max) | Db (min) | CA (min) | CB (min) | RA (max) | rb (max) | e | Y | Jo | |||
| 32205BJ2/Q | 25 | 52 | 19,25 | 41,5 | 44 | 4,65 | 10000 | 13000 | 0,19 | 5CD | 25 | 40,2 | 18 | 15 | 1 | 1 | 16 | 30 | 31 | 41 | 46 | 50 | 3 | 4 | 1 | 1 | 0,57 | 1,05 | 0,6 |
| 322/28bj2/q | 28 | 58 | 20,25 | 48 | 50 | 5,5 | 9500 | 12000 | 0,25 | 5dd | 28 | 43,9 | 19 | 16 | 1 | 1 | 17 | 33 | 34 | 46 | 52 | 55 | 3 | 4 | 1 | 1 | 0,57 | 1,05 | 0,6 |
| 32206J2/Q | 30 | 62 | 21,25 | 58,5 | 57 | 6,3 | 9000 | 11000 | 0,28 | 3dc | 30 | 45,2 | 20 | 17 | 1 | 1 | 15 | 37 | 36 | 52 | 56 | 58 | 3 | 4 | 1 | 1 | 0,37 | 1,6 | 0,9 |
| 32206bj2/qCl7cva606 | 30 | 62 | 21,25 | 56 | 58,5 | 6,55 | 9000 | 11000 | 0,30 | 5DC | 30 | 47,3 | 20 | 17 | 1 | 1 | 18 | 36 | 36 | 50 | 56 | 60 | 3 | 4 | 1 | 1 | 0,57 | 1,05 | 0,6 |
| 32207J2/Q | 35 | 72 | 24,25 | 76,5 | 78 | 8,5 | 8000 | 9500 | 0,43 | 3dc | 35 | 52,4 | 23 | 19 | 1,5 | 1,5 | 17 | 43 | 42 | 61 | 65 | 67 | 3 | 5 | 1,5 | 1,5 | 0,37 | 1,6 | 0,9 |
| 32208J2/Q | 40 | 80 | 24,75 | 85 | 86,5 | 9,8 | 7000 | 8500 | 0,53 | 3dc | 40 | 58,4 | 23 | 19 | 1,5 | 1,5 | 19 | 49 | 47 | 68 | 73 | 75 | 3 | 5,5 | 1,5 | 1,5 | 0,37 | 1,6 | 0,9 |
| 32208BJ2/Q | 40 | 80 | 24,75 | 86,5 | 93 | 10,8 | 6700 | 8500 | 0,52 | 5DC | 40 | 60,9 | 23 | 19 | 1,5 | 1,5 | 22 | 49 | 47 | 65 | 73 | 76 | 4 | 5,5 | 1,5 | 1,5 | 0,54 | 1,1 | 0,6 |
| 32209J2/Q | 45 | 85 | 24,75 | 91,5 | 98 | 11 | 6300 | 8000 | 0,58 | 3dc | 45 | 64 | 23 | 19 | 1,5 | 1,5 | 20 | 54 | 52 | 73 | 78 | 80 | 3 | 5,5 | 1,5 | 1,5 | 0,4 | 1,5 | 0,8 |
| 32210/45BJ2/QVB022 | 45 | 90 | 24,75 | 95 | 104 | 12,2 | 6000 | 8000 | 0,65 | - | 45 | 68,5 | 23 | 19 | 1,5 | 0,3 | 21 | 58 | 52 | 78 | 87 | 85 | 3 | 5,5 | 1,5 | 0,3 | 0,6 | 1 | 0,6 |
| 32210J2/Q | 50 | 90 | 24,75 | 95 | 100 | 11,4 | 6000 | 7500 | 0,61 | 3dc | 50 | 68,5 | 23 | 19 | 1,5 | 1,5 | 21 | 58 | 57 | 78 | 83 | 85 | 3 | 5,5 | 1,5 | 1,5 | 0,43 | 1,4 | 0,8 |
| 32211J2/Q | 55 | 100 | 26,75 | 106 | 129 | 15 | 5000 | 6700 | 0,83 | 3dc | 55 | 75,2 | 25 | 21 | 2 | 1,5 | 22 | 64 | 64 | 87 | 93 | 95 | 4 | 5,5 | 2 | 1,5 | 0,4 | 1,5 | 0,8 |
| 32212J2/Q | 60 | 110 | 29,75 | 146 | 160 | 18,6 | 5000 | 6000 | 1,15 | 3ec | 60 | 81,9 | 28 | 24 | 2 | 1,5 | 24 | 69 | 68 | 95 | 103 | 104 | 4 | 5,5 | 2 | 1,5 | 0,4 | 1,5 | 0,8 |
| 32212BJ2/Q | 60 | 110 | 29,75 | 140 | 156 | 19 | 4800 | 6000 | 1,15 | - | 60 | 85,7 | 28 | 21 | 2 | 1,5 | 28 | 69 | 98 | 93 | 103 | 105 | 5 | 8,5 | 2 | 1,5 | 0,57 | 1,05 | 0,6 |
| 32213J2/Q | 65 | 120 | 32,75 | 151 | 193 | 22,8 | 4000 | 5600 | 1,50 | 3ec | 65 | 90,3 | 31 | 27 | 2 | 1,5 | 27 | 76 | 74 | 104 | 113 | 115 | 4 | 5,5 | 2 | 1,5 | 0,4 | 1,5 | 0,8 |
| 32214J2/Q | 70 | 125 | 33,25 | 157 | 208 | 24,5 | 3800 | 5300 | 1,60 | 3ec | 70 | 95 | 31 | 27 | 2 | 1,5 | 28 | 80 | 78 | 108 | 115 | 119 | 4 | 6 | 2 | 1,5 | 0,43 | 1,4 | 0,8 |
| 32215J2/Q | 75 | 130 | 33,25 | 161 | 212 | 24,5 | 3600 | 5000 | 1,70 | 4dc | 75 | 100 | 31 | 27 | 2 | 1,5 | 29 | 85 | 84 | 114 | 122 | 125 | 4 | 6 | 2 | 1,5 | 0,43 | 1,4 | 0,8 |
| 32216J2/Q | 80 | 140 | 35,25 | 187 | 245 | 28,5 | 3400 | 4500 | 2,05 | 3ec | 80 | 106 | 33 | 28 | 2,5 | 2 | 30 | 91 | 90 | 122 | 130 | 134 | 5 | 7 | 2 | 2 | 0,43 | 1,4 | 0,8 |
| 32217J2/Q | 85 | 150 | 38,5 | 212 | 285 | 33,5 | 3200 | 4300 | 2,60 | 3ec | 85 | 113 | 36 | 30 | 2,5 | 2 | 33 | 97 | 95 | 130 | 140 | 142 | 5 | 8,5 | 2 | 2 | 0,43 | 1,4 | 0,8 |
| 32218J2/Q | 90 | 160 | 42,5 | 251 | 340 | 38 | 3000 | 4000 | 3,35 | 3fc | 90 | 121 | 40 | 34 | 2,5 | 2 | 36 | 102 | 101 | 138 | 150 | 152 | 5 | 8,5 | 2 | 2 | 0,43 | 1,4 | 0,8 |
| 32219J2 | 95 | 170 | 45,5 | 281 | 390 | 43 | 2800 | 3800 | 4,05 | 3fc | 95 | 128 | 43 | 37 | 3 | 2,5 | 39 | 109 | 107 | 145 | 158 | 161 | 5 | 8,5 | 2,5 | 2 | 0,43 | 1,4 | 0,8 |
| 32220J2 | 100 | 180 | 49 | 319 | 440 | 48 | 2600 | 3600 | 4,90 | 3fc | 100 | 135 | 46 | 39 | 3 | 2,5 | 41 | 115 | 112 | 154 | 168 | 171 | 5 | 10 | 2,5 | 2 | 0,43 | 1,4 | 0,8 |
| 32221J2 | 105 | 190 | 53 | 358 | 510 | 55 | 2600 | 3400 | 6,00 | 3fc | 105 | 143 | 50 | 43 | 3 | 2,5 | 44 | 120 | 117 | 161 | 178 | 180 | 6 | 10 | 2,5 | 2 | 0,43 | 1,4 | 0,8 |
| 32222J2 | 110 | 200 | 56 | 402 | 570 | 61 | 2400 | 3200 | 7,10 | 3fc | 110 | 151 | 53 | 46 | 3 | 2,5 | 46 | 127 | 122 | 170 | 188 | 190 | 6 | 10 | 2,5 | 2 | 0,43 | 1,4 | 0,8 |
| 32322 | 110 | 240 | 84,5 | 627 | 830 | 86,5 | 1900 | 2800 | 17,0 | 2GD | 110 | 168 | 80 | 65 | 4 | 3 | 55 | 137 | 125 | 198 | 226 | 222 | 9 | 19,5 | 3 | 2,5 | 0,35 | 1,7 | 0,9 |
| 32224J2 | 120 | 215 | 61,5 | 468 | 695 | 72 | 2200 | 3000 | 9,15 | 4fd | 120 | 163 | 58 | 50 | 3 | 2,5 | 51 | 137 | 132 | 181 | 203 | 204 | 7 | 11,5 | 2,5 | 2 | 0,43 | 1,4 | 0,8 |
| 32226J2 | 130 | 230 | 67,75 | 550 | 830 | 85 | 2000 | 2800 | 11,5 | 4fd | 130 | 176 | 64 | 54 | 4 | 3 | 56 | 146 | 146 | 193 | 216 | 219 | 7 | 13,5 | 3 | 2,5 | 0,43 | 1,4 | 0,8 |
| 32228J2 | 140 | 250 | 71,75 | 644 | 1000 | 100 | 1900 | 2600 | 14,5 | 4fd | 140 | 191 | 68 | 58 | 4 | 3 | 60 | 159 | 156 | 210 | 236 | 238 | 8 | 13,5 | 3 | 2,5 | 0,43 | 1,4 | 0,8 |
| 32230J2 | 150 | 270 | 77 | 737 | 1140 | 112 | 1700 | 2400 | 17,5 | 4GD | 150 | 205 | 73 | 60 | 4 | 3 | 64 | 171 | 166 | 226 | 256 | 254 | 8 | 17 | 3 | 2,5 | 0,43 | 1,4 | 0,8 |
| 32232J2 | 160 | 290 | 84 | 880 | 1400 | 132 | 1600 | 2200 | 25,5 | 4GD | 160 | 221 | 80 | 67 | 4 | 3 | 70 | 183 | 176 | 242 | 275 | 274 | 10 | 17 | 3 | 2,5 | 0,43 | 1,4 | 0,8 |
| 32234J2 | 170 | 310 | 91 | 1010 | 1630 | 150 | 1500 | 2000 | 28,5 | 4GD | 170 | 237 | 86 | 71 | 5 | 4 | 75 | 196 | 190 | 259 | 293 | 294 | 10 | 20 | 4 | 3 | 0,43 | 1,4 | 0,8 |
| 32236J2 | 180 | 320 | 91 | 1010 | 1630 | 150 | 1400 | 1900 | 29,5 | 4GD | 180 | 247 | 86 | 71 | 5 | 4 | 78 | 204 | 200 | 267 | 303 | 303 | 10 | 20 | 4 | 3 | 0,44 | 1,35 | 0,8 |
| 32240J2 | 200 | 360 | 104 | 1210 | 2000 | 180 | 1300 | 1700 | 42,5 | 3GD | 200 | 274 | 98 | 82 | 5 | 4 | 83 | 231 | 220 | 302 | 343 | 340 | 11 | 22 | 4 | 3 | 0,4 | 1,5 | 0,8 |
| 32244J2 | 220 | 400 | 114 | 1610 | 2700 | 232 | 1100 | 1500 | 60,0 | - | 220 | 306 | 108 | 90 | 5 | 4 | 95 | 253 | 242 | 334 | 383 | 379 | 13 | 24 | 4 | 3 | 0,43 | 1,4 | 0,8 |
| 32248J3 | 240 | 440 | 127 | 1790 | 3350 | 275 | 1000 | 1400 | 83,5 | - | 240 | 346 | 120 | 100 | 5 | 4 | 105 | 290 | 262 | 365 | 420 | 415 | 13 | 27 | 4 | 3 | 0,43 | 1,4 | 0,8 |
| 32252J2/HA1 | 260 | 480 | 137 | 2200 | 3650 | 300 | 900 | 1200 | 105 | - | 260 | 366 | 130 | 106 | 6 | 5 | 112 | 303 | 286 | 401 | 458 | 454 | 16 | 31 | 5 | 4 | 0,43 | 1,4 | 0,8 |
| 32260J2/HA1 | 300 | 540 | 149 | 2750 | 4750 | 365 | 800 | 1100 | 140 | - | 300 | 413 | 140 | 115 | 6 | 5 | 126 | 343 | 326 | 453 | 518 | 511 | 17 | 34 | 5 | 4 | 0,43 | 1,4 | 0,8 |
O nás Yinin
Aplikácie v odvetví
Novinky a informácie
Kontaktujte nás
Technické poradenstvo
Riešenia na mieru
Neustály výskum a vývoj
Kontrola kvality
Technická podpora a školenia
Rýchla odpoveď
Ak máte akékoľvek technické konzultácie alebo spätnú väzbu, poskytneme vám čo najprofesionálnejšiu odpoveď čo najskôr!