Domov / Výrobky / Ložisko / Zúžené ložisko / 31300 séria
31300 séria Zúžené ložisko
31300 séria Zúžené ložisko
31300 séria Zúžené ložisko

31300 séria

Kuperované valcové ložiská série 31300 sú valcovacie ložiská s vysokou nosnou kapacitou a vynikajúcou odolnosťou proti opotrebeniu a široko sa používajú v rôznych priemyselných zariadeniach a strojoch. Táto séria ložísk prijíma zúžený dizajn valca a vydrží radiálne a axiálne zaťaženie. Je vhodný na použitie v prostrediach s vysokým a vysokorýchlostným prevádzkou. Medzi jeho štrukturálne vlastnosti patria zúžené kontaktné povrchy na vnútorných a vonkajších krúžkoch, ktoré zaisťujú presné prispôsobenie sa medzi valcami a pretekárskymi dráhami, čím sa znižujú trenie a tvorba tepla. Materiál ložísk série 31300 je zvyčajne vysokokvalitná legujúca oceľ, ktorá je tepelne upravená, aby sa zvýšila tvrdosť a trvanlivosť. Okrem toho má toto ložisko aj dobré schopnosti sebaúpravy, ktoré môžu kompenzovať odchýlky spôsobené nesprávnou inštaláciou alebo ohýbaním hriadeľa, čím sa predlžuje jeho životnosť. Medzi bežné oblasti aplikácií patrí automobilový priemysel, banské stroje, metalurgické vybavenie a letectvo.

Odoslať dopyt

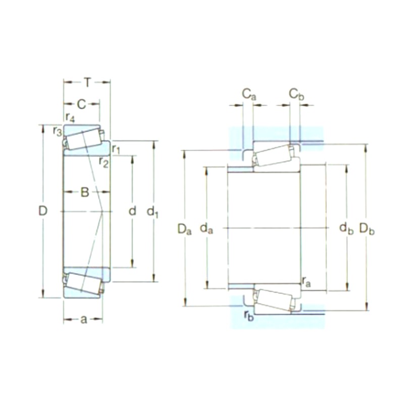
Parametre produktu

Označenie Hlavné rozmery (mm) Hodnotenie základného zaťaženia (kN) Pluk Hodnotenia rýchlosti (otáčky) Váha (kg) ISO335 Rozmery (mm) Podpora a rozmery filetov (mm) Hodnota
d1 D B DYC (CR) STC (COR) Rýchlosť Obmedzovacia rýchlosť Rozmery (Abma) d D1 ~ B C R1,2 (min) R3,4 (min) a da (max) db (min) Da (min) Da (max) Db (min) CA (min) CB (min) RA (max) rb (max) e Y Jo
31305J2 25 62 18,25 38 40 4,4 7500 11000 0,26 7FB 25 45,8 17 13 1,5 1,5 20 34 32 47 55 59 3 5 1,5 1,5 0,83 0,72 0,4
31306j2/q 30 72 20,75 55 50 5,7 7500 9500 0,39 7FB 30 52,7 19 14 1,5 1,5 22 40 37 55 65 68 3 6,5 1,5 1,5 0,83 0,72 0,4
31307j2/q 35 80 22,75 71 67 7,8 6300 8500 0,52 7FB 35 59,6 21 15 2 1,5 25 45 44 62 71 76 3 7,5 2 1,5 0,83 0,72 0,4
31308J2/qCl7c 40 90 25,25 85 81,5 9,5 5600 7500 0,72 7FB 40 67,1 23 17 2 1,5 28 51 49 71 81 86 3 8 2 1,5 0,83 0,72 0,4
31309j2/qCl7c 45 100 27,25 106 102 12,5 5000 6700 0,95 7FB 45 74,7 25 18 2 1,5 31 57 53 79 91 95 4 9 2 1,5 0,83 0,72 0,4
31310J2/qCl7c 50 110 29,25 122 120 14,3 4500 6000 1,20 7FB 50 81,5 27 19 2,5 2 34 62 60 87 100 104 4 10 2 2 0,83 0,72 0,4
31311j2/qCl7c 55 120 31,5 140 137 16,6 4300 5600 1,55 7FB 55 88,4 29 21 2,5 2 37 68 65 94 112 113 4 10,5 2 2 0,83 0,72 0,4
31312J2/qCl7c 60 130 33,5 166 166 20,4 3800 5300 1,90 7FB 60 95,9 31 22 3 2,5 39 74 72 103 118 123 5 11,5 2,5 2 0,83 0,72 0,4
31313J2/qCl7c 65 140 36 190 193 23,6 3600 4800 2,35 7 GB 65 103 33 23 3 2,5 42 80 77 111 128 132 5 13 2,5 2 0,83 0,72 0,4
31314J2/qCl7c 70 150 38 216 220 27 3400 4500 2,95 7 GB 70 110 35 25 3 2,5 45 85 82 118 138 141 5 13 2,5 2 0,83 0,72 0,4
31315J2/qCl7c 75 160 40 240 245 29 3200 4300 3,50 7 GB 75 116 37 26 3 2,5 48 91 87 127 148 151 6 14 2,5 2 0,83 0,72 0,4
31316j1/qCl7c 80 170 42,5 260 265 32 3000 4000 4,05 7 GB 80 124 39 27 3 2,5 52 97 92 134 158 159 6 15,5 2,5 2 0,83 0,72 0,4
31317j2 85 180 44,5 242 285 33,5 2600 3800 4,60 7 GB 85 131 41 28 4 3 55 103 99 143 166 169 6 16,5 3 2,5 0,83 0,72 0,4
31318J2 90 190 46,5 264 315 36,5 2400 3400 5,90 7 GB 90 138 43 30 4 3 57 109 105 151 176 179 5 16,5 3 2,5 0,83 0,72 0,4
31319J2 95 200 49,5 292 355 39 2400 3400 6,95 7 GB 95 145 45 32 4 3 60 114 110 157 186 187 5 17,5 3 2,5 0,83 0,72 0,4
31320XJ2/CL7CVQ051 100 215 56,5 430 465 51 2400 3000 8,60 7 GB 100 158 51 35 4 3 65 121 115 168 201 202 7 21,5 3 2,5 0,83 0,72 0,4
31322xJ2 110 240 63 457 585 62 1900 2800 12,0 7 GB 110 176 57 38 4 3 72 135 125 188 226 224 7 25 3 2,5 0,83 0,72 0,4
31324xJ2 120 260 68 539 695 73,5 1700 2400 15,5 7 GB 120 190 62 42 4 3 78 145 135 203 245 244 9 26 3 2,5 0,83 0,72 0,4
31326XJ2 130 280 72 605 780 81,5 1600 2400 18,5 7 GB 130 204 66 44 5 4 84 157 150 218 263 261 8 28 4 3 0,83 0,72 0,4
31328XJ2 140 300 77 693 900 88 1500 2200 24,5 7 GB 140 219 70 47 5 4 90 169 160 235 283 280 9 30 4 3 0,83 0,72 0,4
31330xJ2 150 320 82 781 1020 100 1400 2000 29,5 7 GB 150 234 75 50 5 4 96 181 170 251 303 300 9 32 4 3 0,83 0,72 0,4

O nás Yinin

Shanghai Yinin Lose and Transmission Company Založené v roku 2009 s viac ako 20-ročnými skúsenosťami v oblasti ložísk. Sme čínsky 31300 séria Zúžené ložisko výrobca a poskytujeme zákazkové 31300 séria Zúžené ložisko výroby. Od roku 1999 pôsobíme ako zástupca čínskych výrobcov ložísk a vyvážame rôzne ložiská. Dnes sme sa rozvinuli do komplexnej skupiny ložísk, ktorá integruje predaj a výrobu.

Aplikácie v odvetví

Ložiská tiež zohrávajú veľmi dôležitú úlohu v poľnohospodárskych strojoch. Používajú sa na podpor...

Ložiská sa široko používajú v automobiloch. Sú kľúčové podporné a rotujúce časti mnohých pohybliv...

Používa sa na podporu, výšku, uhol, kĺb a rotujúce časti lekárskeho vybavenia.

Používa sa na podporu, rotáciu, motorové a kompresorové časti domácich spotrebičov.

Používa sa na rotáciu a pohyb podpory a vodiace časti automatizačných zariadení

V stavebných štruktúrach sa môžu ložiská použiť na spojenie rôznych konštrukčných komponentov.

Vo výrobnom procese potravín a nápojov sú potrebné čerpadlá na prepravu tekutín a kompresory sa p...

Ložiská sa používajú v motoroch lietadiel a kozmickej lode na podporu rotujúcich komponentov, ako...

Novinky a informácie

Zistite viac

2026-02-26

Aké sú kritické rozdiely medzi presnými triedami P6 a P...
Vo vysoko presnom svete obrábania pomocou počítačového numerického riadenia (CNC) je výkon stroja 6000 guľkové ložisko je základom pre dosiahnutie submikrónovej presnosti. Ako ťažný kôň ...

2026-02-19

Technická analýza: Aké sú hlavné rozdiely medzi guličko...
V oblasti vysoko presného strojárstva výber správneho materiálu pre guličkové ložiská z nehrdzavejúcej ocele je rozhodnutie, ktoré určuje prevádzkovú životnosť a bezpečnosť celého str...

2026-02-12

Je guličkové ložisko z nehrdzavejúcej ocele 6200 potreb...
V oblasti techniky rotačného pohybu je rad 6200 jedným z najpoužívanejších guľkových ložísk s hlbokými drážkami vďaka svojej všestrannosti a optimalizovanej radiálnej zaťažiteľnosti. Avšak pri prev...

Kontaktujte nás

SUBMIT

Technické poradenstvo

  • Shanghai Yinin Lose and Transmission Company

    Riešenia na mieru

  • Shanghai Yinin Lose and Transmission Company

    Neustály výskum a vývoj

  • Shanghai Yinin Lose and Transmission Company

    Kontrola kvality

  • Shanghai Yinin Lose and Transmission Company

    Technická podpora a školenia

  • Shanghai Yinin Lose and Transmission Company

    Rýchla odpoveď

Ak máte akékoľvek technické konzultácie alebo spätnú väzbu, poskytneme vám čo najprofesionálnejšiu odpoveď čo najskôr!

Kontaktujte nás